Image
Project:

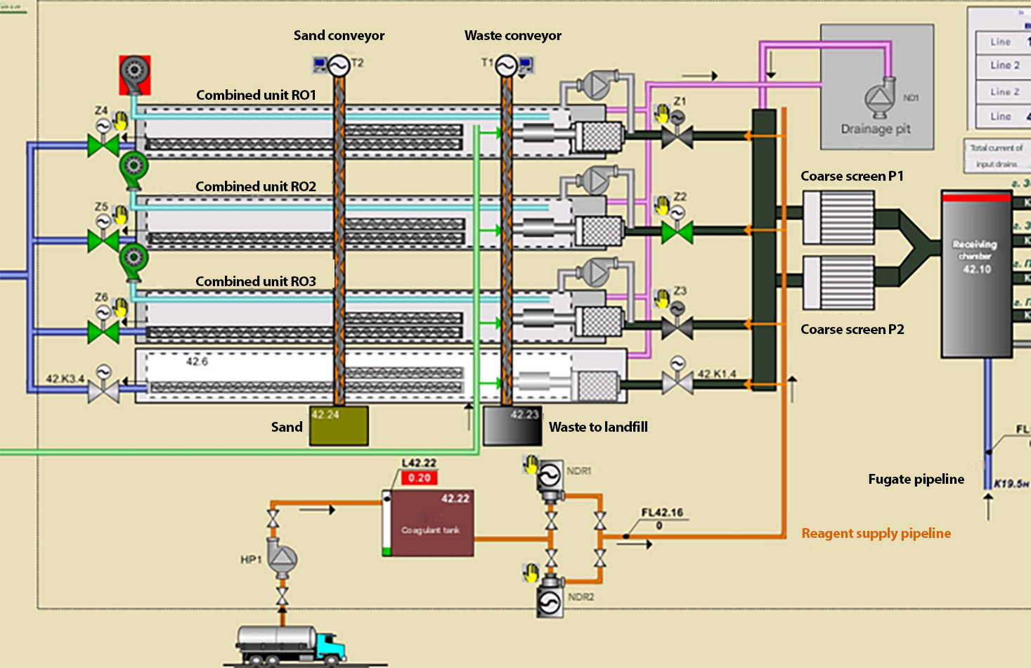
Developing APCS to monitor the state and control of units and mechanisms of wastewater treatment facilities.

Client:Ecopolymer Ltd., Ukraine
Date:2019
Project details:

Tasks set for the project:

  • Increasing the efficiency of management due to the centralized receipt of objective data on the technological process in electronic form, their subsequent processing, and transfer to the dispatcher’s workstation.
  • Improving technological and production discipline – automatic control of parameters, registration of personnel’s actions.
  • Improving the efficiency of the mechanisms by optimizing the distribution of loads and timely inclusion of backup sets.

The solution for decentralized, distributed data collection and control of technological subsystems was proposed considering the characteristics of technological processes. The control of all units, visualization, and archiving is performed on the server in the single control room.

Designing was performed in accordance with regulatory requirements and was approved by the expert organization.